Thạch Anh 455KHz Chân Cắm


- Tần số 455Khz.
- Kiểu chân: 5.08mm.
- 2 chân cắm.

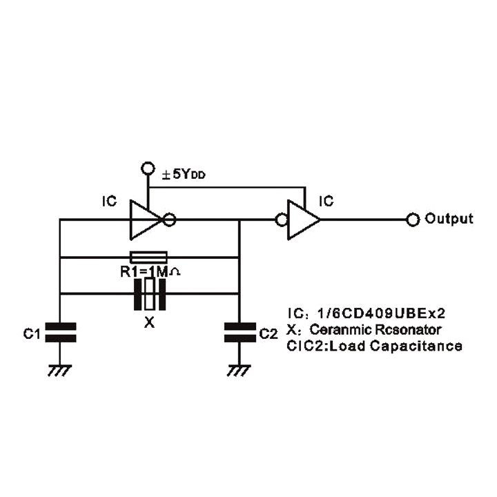
- Các mạch dao động Thạch anh đặc biệt là Thạch anh 455E cho ra tần số rất ổn định, được sử dụng rất nhiều trong các đồng hồ điện tử (như đồng hồ đeo tay, đồng hồ để bàn...), trong các thiết bị đo lường điện tử (tạo xung chuẩn), trong mạch đồng bộ màu của TV, VCR, trong các thiết bị tin học (máy vi tính, các thiết bị nối với máy vi tính), trong các nhạc cụ điện tử như Piano điện, organ...




Nguồn: Bùi Hữu Uyên.